Централизованное распределительное устройство переменного тока Kyn28A-12
Распределительное устройство переменного тока в металлическом корпусе бронированного центрального типа KYN28A-12 (далее именуемое распределительным устройством): это новый продукт, спроектированный и разработанный нашей компанией на основе внедрения передовых производственных технологий в стране и за рубежом, который может заменить старое металлическое закрытое распределительное устройство и подходит для трехфазной сети переменного тока 3,6-12 кВ 50 Гц для приема и распределения электроэнергии, а также для управления, мониторинга и защиты цепи. Его можно использовать в одношинной, одношинной сегментированной системе или двухшинной системе. Он имеет идеальную и надежную функцию защиты от неправильной работы.
Распределительное устройство переменного тока KYN28A-12 бронированного центрального типа в металлическом корпусе является инновационным продуктом с идеальными функциями приема, распределения, управления, мониторинга и защиты электроэнергии, применимым к одинарной системе шин, одинарной секционированной системе шин или двойной системе шин, с идеальной и надежной функцией защиты от неправильного срабатывания. Эти преимущества позволяют продукту гарантировать стабильность и безопасность энергосистемы и предоставлять пользователям надежную защиту электропитания.
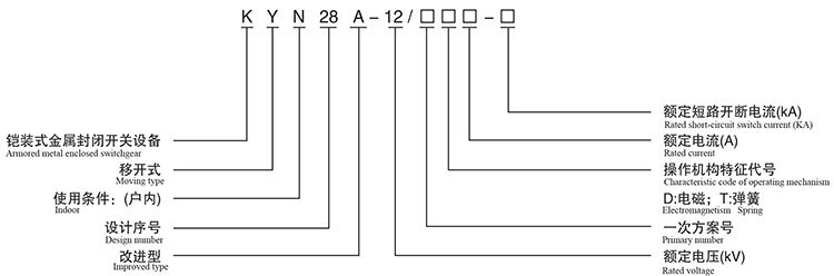
Модель продукта и ее значение
Условия эксплуатации
◆Температура окружающей среды:-10℃~+40℃
◆Высота: не более 1000м
◆Относительная влажность: среднесуточная влажность не более 95%, среднемесячная влажность не более 90%
◆Шкала Рихтера (землетрясения): не более 8
◆Нет агрессивных или легковоспламеняющихся газов, водяного пара и т. д.
◆Примечание: Мы будем рады, если клиенты будут вести переговоры с производителем, если им потребуются более высокие требования.
Инструкция по заказу
◆Номенклатура поставки распределительного устройства 10 кВ тележечного типа определяется в соответствии с чертежами, предоставленными покупателем.
◆Все распределительные устройства оснащены реле, счетчиками и вторичными контрольно-измерительными приборами в соответствии с чертежами вторичной электропроводки, предоставленными проектным институтом.
◆Коммутационное устройство включает в себя клеммные колодки, резаки и переключатели, подключенные снаружи, а вторичная проводка в шкафу подключена в соответствии со схемой вторичной проводки.
Технические параметры
Посещение завода для клиентов
Сертификация
сопутствующие товары
Отправлено успешно
Мы свяжемся с вами как можно скорее





















